Version SOLAR face avant
search
  • Version SOLAR face avant
  • Version SOLAR face arrière
  • Version SOLAR avec WEMOS D1 PRO et DFR0559
  • Version SOLAR avec WEMOS D1 PRO et TC4056

Exercizer WEMOS D1

4,50 €
Livraison sous 5 jours ouvrés
PCB : SOLAR
Quantité

PCB générique permettant de donner vie proprement à vos montages à base de WEMOS D1 Mini ou Pro.

Le PCB est vendu seul, sans composant... à vous de créer depuis cette base propre, solide et versatile, en shuntant ou en laissant ouverts les emplacements qui ne vous servent pas !

Il y a trois versions de PCB disponibles, à choisir en fonction de vos besoins spécifiques :

  • La version SOLAR est dédiée aux montages autonomes alimentés par panneau solaire 5v, régulateur de charge MPPT et batterie Li-Ion 3,7v.
  • La version STANDARD est alimentée par le port USB du WEMOS D1. Elle présente les mêmes possibilités étendues de branchement de périphériques.
  • La version MINI, alimentée par USB, ne prévoit que le déport des GPIO du WEMOS D1.

 

Ci-dessous les descriptions détaillées des versions. Les schémas correspondants sont disponibles dans l’onglet DOCUMENTATION de cette page.

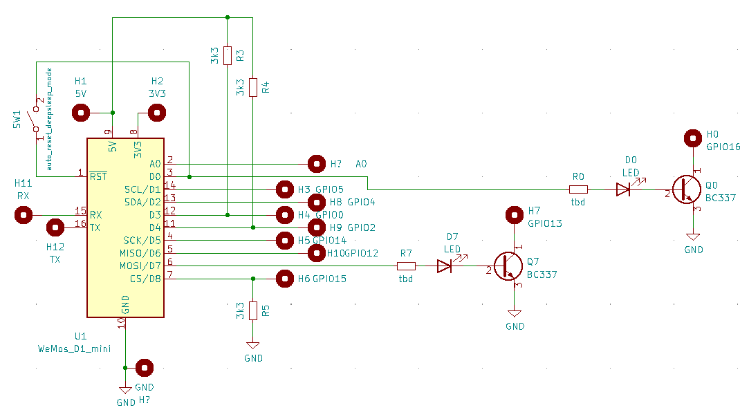
Le montage en version "SOLAR" comprend :

  • Alimentation par régulateur de charge MPPT et batterie : soit le TC4056 (ultra rependu, basique et bon marché), soit le DFR0559 nettement plus évolué (avec step-up 5v et pins programmables pour alimenter les capteurs sans gaspillage de la batterie). Ces deux modules se soudent directement sur le PCB ;
  • Shunt EN/GND (en soudant un Pin Header au pas de 2,54 avec un cavalier) via résistance de tirage pour pilotage des pins programmables du DFR0559 sur pin D7 (GPIO13) du WEMOS D1 ;
  • Bornier déporté des trois paires 5V/GND des pins programmables du DFR0559 ;
  • Connection vers batterie (Pin Header au pas de 2,54) ;

 

  • Connexions déportées sur des pads pour tous les GPIO du WEMOS D1 ;
  • Shunt D0/RST (GPIO16/RST) disponible afin de permettre la sortie du mode DeepSleep du WEMOS D1 (en soudant un Pin Header au pas de 2,54 avec un cavalier) ;
  • Emplacement pour une résistance série sur A0 (100k) afin permettre une mesure directe de la tension de la batterie (elle forme un pont avec la résistance de 220k incluse par défaut sur le WEMOS D1, abaissant la tension à 3.3v max) ;
  • Emplacement pour des résistances de pull-up disponibles pour permettre le bon fonctionnement du WEMOS D1 même si les pins D3 et D4, respectivement GPIO00 et GPIO02, sont connectées à des capteurs externes (à défaut le WEMOS risque de démarrer en mode Programming ou SD-Card Boot!) ;
  • Emplacement pour une résistance de pull-down disponibles pour permettre le bon fonctionnement du WEMOS D1 même si la pin D8 (GPIO15) est connectée à un capteur externe ((à défaut le WEMOS risque de démarrer en mode Programming ou SD-Card Boot!)) ;
  • Pour les pins D0 et D7, respectivement GPIO16 et GPIO13 (tous ces éléments sont shuntables) :
    •     couple Ri/Di pour visualisation du signal par une diode ;
    •     couple Ri/Qi pour commander un transistor relié à une autre carte (émetteur à la masse) ;
    •     pad de connexion pour raccordement collecteur Qi vers autre montage commandé.

 

Le montage en version "STANDARD", dérivé de la version SOLAR, comprend :

  • Connexions déportées sur des pads pour tous les GPIO du WEMOS D1 ;
  • Shunt D0/RST (GPIO16/RST) disponible afin de permettre la sortie du mode DeepSleep du WEMOS D1 (en soudant un Pin Header au pas de 2,54 avec un cavalier) ;
  • Emplacement pour des résistances de pull-up disponibles pour permettre un démarrage du WEMOS D1 même si les pins D3 et D4, respectivement GPIO00 et GPIO02, sont connectées à des capteurs externes (à défaut le WEMOS risque de démarrer en mode Programming ou SD-Card Boot!) ;
  • Emplacement pour une résistance de pull-down disponibles pour permettre un démarrage du WEMOS D1 même si la pin D8 (GPIO15) est connectée à un capteur externe (à défaut le WEMOS risque de démarrer en mode Programming ou SD-Card Boot!) ;
  • Pour les pins D0 et D7, (respectivement GPIO16 et GPIO13 (tous ces éléments sont shuntables):
    •     couple Ri/Di pour visualisation du signal par une diode ;
    •     couple Ri/Qi pour commander un transistor relié à une autre carte (émetteur à la masse).

 

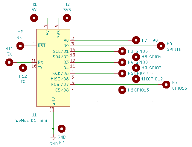
La version "MINI" :

  • Connexions déportées sur des pads pour tous les GPIO du WEMOS D1 ;
  • Connexions déportées sur des pads du 5V, 3.3v et GND.

 

Dimensions du PCB:

Version Solar: 67x67mm (qualité professionnelle en FR-4 TG130, ép. 1,6mm)

Version Standard: 32x67mm (qualité professionnelle en FR-4 TG130, ép. 1,6mm)

Version Mini: 32x32mm (qualité professionnelle en FR-4 TG130, ép. 1,6mm)

Envoi:

Afin de limiter le coût final pour l'utilisateur, l'envoi des PCB se fait exclusivement en lettre verte (emballage sous enveloppe bulles extra résistante). Il n'y a pas de suivi, sauf sur demande spéciale (contactez-moi par message le cas échéant).

Réduction de 10% sur le prix des articles dès 4 PCB commandés avec le code QUADRA_EXERCIZER

 

EXERCIZER_wemos_v1
5 Produits
Commentaires (0)
Aucun avis n'a été publié pour le moment.